ลิงค์รวดเร็ว
ติดต่อเร็ว
ที่อยู่
ห้อง 1920 อาคาร 3 ศูนย์ความเป็นเลิศศตวรรษย่าน Shibei ชิงเต่ามณฑลซานตงจีน
โทร:
86-133-7148-2686
ข่าวสารของเรา
สมัครสมาชิกข่าวสารของเรา เพื่อรับส่วนลดและอื่นๆ
บทนำของเรือยกบอลลูนเรือยางถุงลมนิรภัย ถุงลมยางสำหรับลงเรือหรือเรียกอีกอย่างว่าถุงลมนิรภัยสำหรับเรือเดินทะเล ถุงลมนิรภัยสำหรับเทียบท่า ลูกโป่งสำหรับปล่อยเรือ ถุงลม marie ได้กลายเป็นวิธีการเปิดตัวเรือที่สะดวกอย่างหนึ่งในอู่ต่อเรือบางแห่ง โดยเฉพาะอย่างยิ่งในกรณีที่ไม่มีทางลื่น Qingdao Florescence เป็นบ...
ถุงลมยางสำหรับลงเรือหรือเรียกอีกอย่างว่าถุงลมนิรภัยสำหรับเรือเดินทะเล ถุงลมนิรภัยสำหรับเทียบท่า ลูกโป่งสำหรับปล่อยเรือ ถุงลม marie ได้กลายเป็นวิธีการเปิดตัวเรือที่สะดวกอย่างหนึ่งในอู่ต่อเรือบางแห่ง โดยเฉพาะอย่างยิ่งในกรณีที่ไม่มีทางลื่น
Qingdao Florescence เป็นบริษัทแรกที่ริเริ่มถุงลมนิรภัยสำหรับการเปิดตัวเรือในประเทศจีนตั้งแต่ปี 1992 ในระหว่างการพัฒนาและประสบการณ์ 20 ปีในการผลิตถุงลมนิรภัยและการเปิดตัวเรือ เรือของเราที่เปิดตัวถุงลมนิรภัยได้กลายเป็น
1) ชั้นยางนอก
ชั้นยางด้านนอกที่หุ้มด้านนอกของถุงลมนิรภัยสำหรับทะเลเพื่อป้องกันใต้ชั้นจากรอยขีดข่วนและแรงภายนอกอื่นๆสารประกอบนี้มีความต้านทานแรงดึงและแรงฉีกขาดเพียงพอที่จะทนต่อสภาวะใดๆ และการใช้งานที่หนักหน่วง
2) ชั้นยางใน
ชั้นยางด้านในผนึกอากาศที่มีแรงดันภายในถุงลมนิรภัยทางทะเล
3) ชั้นยางสังเคราะห์ - ยาง - สายไฟเป็นการเสริมแรง
ชั้นสายเสริมแรง ซึ่งทำจากสายยางสังเคราะห์ที่มักใช้ในยางล้อ จัดวางในมุมที่เหมาะสมที่สุดเพื่อยึดแรงดันภายในและกระจายความเครียดอย่างสม่ำเสมอจึงสามารถเสริมแรงได้อย่างมีประสิทธิภาพ
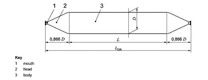
- เส้นผ่านศูนย์กลางภายในของกระบอกสูบ - ถุง 800 ถึง 2800 มม.
- ความยาวของส่วนทรงกระบอก 5,000 ถึง 24,000 มม.
- แรงดันใช้งานสูงสุดในถุง 0.4 ถึง 4 กก. / ซม. 2 ;
- ความสามารถในการรับน้ำหนักสูงสุดของกระเป๋า 6 ถึง 800 ตัน
- จำนวนชั้นสายไฟ 3 ถึง 14 ชิ้น ;
- ช่วงอุณหภูมิในการทำงานตั้งแต่ - 10 ถึง + 60 ° C
| เส้นผ่านศูนย์กลาง | ความยาวที่มีประสิทธิภาพ | ชั้นด้วยสายไฟ | แรงกดดันจากงาน | ยกสูง | ตัน/ถุงลมนิรภัย |
| 1.2m | 10m | 6 | 0.17MPA | 0.9m | 78.51ตัน |
| 1.5m | 12m | 8 | 0.18MPA | 1.2m | 100.50 ตัน |
| 1.8m | 15m | 8 | 0.15MPA | 1.5m | 104.69tons |
| 2.0m | 18m | 10 | 0.17MPA | 1.5m | 235.54tons |
| 2.5m | 18m | 12 | 0.16MPA | 2.0m | 226.12 ตัน |

การบรรจุและการจัดส่ง
วิธีการบรรจุที่เรามักจะใช้: บรรจุกล่องไม้!บรรจุพาเลท!เปล่า!
สำหรับสินค้าขนาดใหญ่ เรามักจะปล่อยลมและบรรจุหีบห่อ!สำหรับสินค้าขนาดเล็ก ลูกค้าบางรายอาจขอให้เราสูบลมและจัดส่ง
เรามักจะใช้การขนส่งทางอากาศ รถไฟ และทางทะเล!

บริการหลังการขาย
1. ความคุ้มค่า คุณจะได้รับราคาที่ดีที่สุดตามคุณภาพที่ดีเยี่ยม
2. ความเชี่ยวชาญที่ไม่มีใครเทียบได้ เรารับประกันคุณภาพผลิตภัณฑ์และบริการชั้นหนึ่ง
3. อายุการใช้งานของผลิตภัณฑ์ที่ดีและการรับประกันคุณภาพผลิตภัณฑ์ของเรามีอายุการใช้งานยาวนานถึง 10-15 ปี
4. บริการหลังการขายอย่างมืออาชีพเราจะช่วยลูกค้าของเราในการแก้ปัญหาใด ๆ ของผลิตภัณฑ์ภายใน 24 ชั่วโมง
5. สำหรับลูกค้าของเรา เราจะจัดเตรียมชุดเครื่องมือซ่อมแซมให้ฟรี